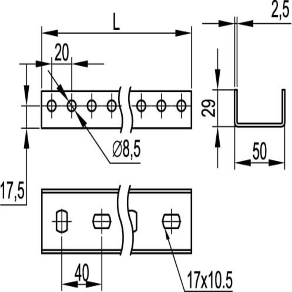
Профиль для монтажа металлических лотков П-образный DKC 2,5 мм 0,3 м (5381057)
Применяется для монтажа консолей BBL – 40, BBL – 50, BBM – 50, крепления к стене, подвеса на шпильках, монтажа в крепление BSV – 29/BSF – 29.
0 ₽
Нет в наличии
8
Посетителей смотрят этот товар прямо сейчас!
- Простой возврат товара
- Быстрая доставка
- Качественная продукция
- Скидки и бонусы
Применяется для монтажа консолей BBL – 40, BBL – 50, BBM – 50, крепления к стене, подвеса на шпильках, монтажа в крепление BSV – 29/BSF – 29. Противокоррозионное цинкнаполненное покрытие повышает срок службы изделия в условиях агрессивных сред и высокой влажности.
ТД Энергоцентр-ЭТМ ООО
ИНН 5027219960
ПОПУЛЯРНЫЕ ТОВАРЫ
Светильник светодиодный подвесной Freya Nova 4000К 15 Вт 3 кв.м хром IP20 (FR6002PL-L15CH)
Нет в наличии
12740 ₽шт
